Запасные части ЧТЗ Запасные части ЧТЗ
Тында
Например:
Актобе
Алдан
или
Выбрать автоматически
Актобе
Алдан
Алматы
Алчевск
Архангельск
Астана
Астрахань
Атырау
Баку
Балашиха
Барнаул
Белгород
Бердянск
Бишкек
Владивосток
Владикавказ
Воркута
Воронеж
Горловка
Грозный
Донецк
Екатеринбург
Иваново
Ижевск
Иркутск
Казань
Калининград
Каменск-Уральский
Караганда
Каховка
Кемерово
Киров
Комсомольск-на-Амуре
Костанай
Краснодар
Красноярск
Красный луч
Ленск
Луганск
Магадан
Магнитогорск
Макеевка
Махачкала
Мелитополь
Минск
Мирный (Якутия)
Москва
Мурманск
Нерюнгри
Нижневартовск
Нижний Новгород
Нижний Тагил
Новая каховка
Новокузнецк
Новосибирск
Новый Уренгой
Норильск
Ноябрьск
Нур-Султан
Омск
Оренбург
Ош
Павлодар
Пермь
Петрозаводск
Петропавловск
Петропавловск-Камчатский
Псков
Ростов-на-Дону
Салехард
Самара
Санкт-Петербург
Саратов
Севастополь
Семей
Симферополь
Сочи
Ставрополь
Сургут
Сыктывкар
Тараз
Ташкент
Токмак
Томск
Тында
Тюмень
Ульяновск
Усинск
Усть-Каменогорск
Уфа
Хабаровск
Ханты-Мансийск
Херсон
Челябинск
Чита
Шымкент
Экибастуз
Энергодар
Южно-Сахалинск
Якутск
Ваш город
Тында
Войти
Запасные части к тракторам на одном сайте
+7 (932) 303-00-10
+7 (932) 303-00-10
г. Тында, ул. Советская, д. 57
Пн-Пт: 9:30-18:30 Cб-Вс: Выходной
Отправить заявку


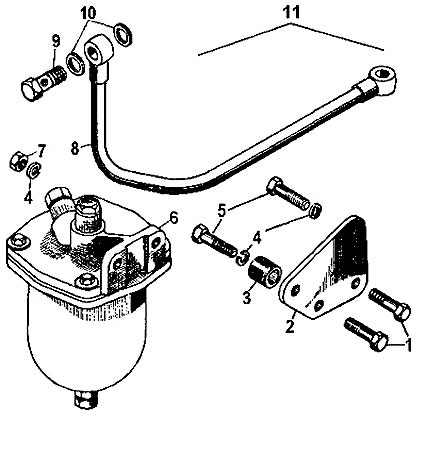
Установка топливного фильтра грубой очистки на Т-170


/
с НДС 20%
Описание
Установка топливного фильтра грубой очистки
Поз.Номер по каталогуНаименование детали
0 51-70-101СП Фильтр
1 700-28-2392 Болт
2 51-70-1 Кронштейн
3 51-70-2 Втулка
4 10 ОТ 65Г 09 Шайба
5 М10х60.58.019 Болт
6 А23.10.000-01 фильтр грубой очистки топлива ФТ-25
6 Фильтр топливный грубой очистки 51-70-148СП
7 700-30-2099 Гайка
8 Трубка 51-41-106СП
9 700-41-2716 Болт поворотного угольника
10 51-06-8 Кольцо
11 51-70-23СП Установка топливного фильтра грубой очистки
11 51-70-4СП Установка топливного фильтра грубой очистки
Установка топливного фильтра грубой очистки